- 产品概述
400X流量控制阀使用说明
点击:1977 日期:2014-07-25 10:27:05
400X流量控制阀
使 用 说 明 书

一、产品介绍
该产品是本公司工程技术人员通过引入新的技术,制造工艺及结构的改进,达到了国际同类产品先进水平。阀体采用了全通道流线型设计,流体阻力小,流量大,在传动方式上采用了水力操作,即利用管路中的水压自动操作主阀瓣的上下移动,控制主阀口开度,主阀安装在送配水管路控制流量的管线中。可先设定调正阀门上部向导调节阀及导阀某固定流量,就可使通过主阀的流量保持不变,即使主阀上游的压力发生变化,也不会影响。总之该产品是生活给水、消防系统及工业给水系统的理想产品
二、工作原理
当主阀进口端水压分别进入阀体及控制室(参看结构图),且主阀外部之球阀同时关闭,此时主阀处于全封闭状态。当主阀外部之球阀全开启后,此时控制室内水压全部排列下游低压区时,此时主阀呈现全开状态。调节主阀外部之球阀开度,使水流经过针阀与球阀之水流达到平衡,此时主阀处于浮动状态流量控制阀是利用水流通过导管和针阀进入主阀控制室的压差,引管至并借助调正导管的弹簧控制阀门开度,并且调节主阀上部向导调节阀使主阀口保证设定开度,使管线中的流量不超过某设定值。即使上游压力发生变化,也不会影响下游的压力。(这是隔膜式的工作原理,活塞式的亦同。)
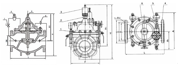
三、结构形式
该阀由主阀、导阀、向导调节阀、针阀、球阀、微型过滤器和压力表等组成。由于导阀、针阀和压力表等要用导管与主阀相连接,所以统称为导管控制系统,由不同管径的需求,可分隔膜式和活塞式。如图所示:




八、安装与调节
1. 主阀应水平卧式安装,安装前要彻底清除管道内的杂物。要注意主阀体外水流标识箭头,遵循方向安装。安装后应确保没有管路应力作用在阀体及阀内部件上。
2.主阀前要装一只闸阀和一只过滤器,主阀后也要装一只闸阀,以便于维修。
3.导阀与导管控制系统已于出厂前装配和调整完毕,如导阀出厂设定压力值不适合现场要求,可作如下调整:先松开导阀手轮下的锁紧螺母,然后顺时针拧动导阀 手轮为增加压力,反之为降低压力,调节完后拧紧锁紧螺母。
4.通水前必须彻底冲洗管路系统。
5.主阀上的微型过滤器要定期清洗。
6.对重要给水管路应安装旁通阀。
1. 主阀应水平卧式安装,安装前要彻底清除管道内的杂物。要注意主阀体外水流标识箭头,遵循方向安装。安装后应确保没有管路应力作用在阀体及阀内部件上。
2.主阀前要装一只闸阀和一只过滤器,主阀后也要装一只闸阀,以便于维修。
3.导阀与导管控制系统已于出厂前装配和调整完毕,如导阀出厂设定压力值不适合现场要求,可作如下调整:先松开导阀手轮下的锁紧螺母,然后顺时针拧动导阀 手轮为增加压力,反之为降低压力,调节完后拧紧锁紧螺母。
4.通水前必须彻底冲洗管路系统。
5.主阀上的微型过滤器要定期清洗。
6.对重要给水管路应安装旁通阀。
九、主阀维护说明
水力控制阀是一种利用水自润式阀体,无须另加机油润滑,如遇主阀内部零件损坏时,请按 下列指示进行拆卸。(注:主阀内一般易损耗品为膜片及密封垫,其它内部金属甚少损坏。)
1.先将主阀前后端闸阀关闭。
2.将主阀盖上的配管接头螺丝松开,释放阀内压力。
3.将所有螺丝取下,包括控制管路中的必要铜管和螺帽。
4.取下阀盖及弹簧。
5.将轴芯、膜片(活塞)等取下,切勿损伤膜片。
6.将以上各项东西取出后,检查膜片及密封垫是否损坏,如无损坏请勿分解其内部零
件。
7.如有损坏,请将轴芯上的螺帽松脱,逐渐分解出膜片、密封垫,并重新换上新的膜
片或密封垫。
8.详细检视主阀内部阀座,轴芯等是否有损坏,并将其内部长期蓄积杂物清除。
9.依反向顺序将更换后的零件组合,装好主阀,注意阀门不能有卡阻现象。
10.请参考安装操作注意事项重新使用。谢谢合作
水力控制阀是一种利用水自润式阀体,无须另加机油润滑,如遇主阀内部零件损坏时,请按 下列指示进行拆卸。(注:主阀内一般易损耗品为膜片及密封垫,其它内部金属甚少损坏。)
1.先将主阀前后端闸阀关闭。
2.将主阀盖上的配管接头螺丝松开,释放阀内压力。
3.将所有螺丝取下,包括控制管路中的必要铜管和螺帽。
4.取下阀盖及弹簧。
5.将轴芯、膜片(活塞)等取下,切勿损伤膜片。
6.将以上各项东西取出后,检查膜片及密封垫是否损坏,如无损坏请勿分解其内部零
件。
7.如有损坏,请将轴芯上的螺帽松脱,逐渐分解出膜片、密封垫,并重新换上新的膜
片或密封垫。
8.详细检视主阀内部阀座,轴芯等是否有损坏,并将其内部长期蓄积杂物清除。
9.依反向顺序将更换后的零件组合,装好主阀,注意阀门不能有卡阻现象。
10.请参考安装操作注意事项重新使用。谢谢合作


